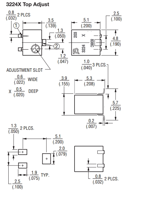
Bourns伯恩斯3224X可调电位器
Bourns伯恩斯3224X可调电位器属多转式可变电阻,表面贴装4 mm方形电位器,多圈金属陶瓷,工业,密封;无卤素,密封,可承受板洗加工;拾取和放置定心设计,带齐平调节;4mm设计符合EIA / EIAJ / IPC / VECI SMD标准修整器占地面积.低CRV - 1%;符合RoHS标准。
- 品牌: Bourns/伯恩斯
- 分类: 多圈电位器
- 最大电压: --
- 额定电流: --
自恢复保险丝,贴片保险丝,插件保险丝
您好,欢迎访问深圳市集电通实业有限公司官网,集电通值得您信赖!
132 6666 5038(微信)
andyzheng@jdtfuse.com
Bourns伯恩斯3224X可调电位器属多转式可变电阻,表面贴装4 mm方形电位器,多圈金属陶瓷,工业,密封;无卤素,密封,可承受板洗加工;拾取和放置定心设计,带齐平调节;4mm设计符合EIA / EIAJ / IPC / VECI SMD标准修整器占地面积.低CRV - 1%;符合RoHS标准。
Bourns伯恩斯3224X可调电位器快盈lV500属多转式可变电阻,表面贴装4 mm方形电位器,多圈金属陶瓷,工业,密封;无卤素,密封,可承受板洗加工;拾取和放置定心设计,带齐平调节;4mm设计符合EIA / EIAJ / IPC / VECI SMD标准修整器占地面积.低CRV - 1%;符合RoHS标准。
特征:

Part Number | Resistance |
3224X-1-103E | 10kΩ |
